Puits de tension
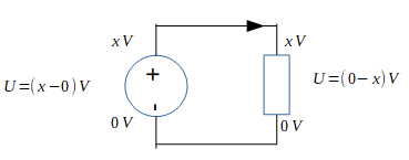
Une résistance en série avec une source de tension se trouve dans un potentiel électrique U qui obéît la loi d'Ohm. La source augmente la tension de 0 volts à x volts, tandis que la résistance réduit la tension de x volts à 0 volts. On appelle donc les dipôles comme les résistances des puits de tension: la où une source accroît la tension dans le circuit, un dipôle la décroît. Par convention, la tension est positive pour une source, et négative pour un puit de tension.
Supposons maintenant que nous ayons deux résistances en séries (l'une à la suite de l'autre). Ici, la tension de la source est répartie sur les deux résistances. La première résistance fait baisser la tension de U1, la deuxième de U2.
Les résistances en série s'ajoutent. Selon la loi d'Ohm:

U = R i\\ U = (R_1 + R_2)i\\i = \frac{U}{R_1 + R_2}
Selon la même loi, la tension sur chacune des résistances est donc égale à:

U_1 = R_1 i = \frac{U R_1}{R_1 + R_2}\\ U_2 = R_2 i = \frac{U R_2}{R_1 + R_2}
On appelle ce genre de circuit un pont diviseur de tension: on peut diviser la tension d'une source en plusieurs tensions dont la somme est égale à la tension de la source.